Ворота распашные из сэндвич панелей

Производим распашные ворота из сэндвич панелей.

Стандартная толщина ворот из сэндвич панелей - от 50 до 100мм. Стандартные ширина и высота ворот - 2 х 3 метра. По вашему техническому заднию можем изготовить распашные ворота из сэндвич панелей с другими размера. Маскимальные размеры распашных ворот из сэндвич-панелей- 6х6метров.

Стоимость ворот из сэндвич-панелей панелей  существенно ниже цены секционных (подъём вверх) ворот из панелей.

Устанавливаем ворота из сэндвич панелей в пределах Москвы и Московской области.

Ворота из сэндвич панелейВорота из сэндвич панелей Распашные ворота из сэндвич панелейРаспашные ворота из сэндвич панелей Ворота распашные из сэндвич панелейВорота распашные из сэндвич панелей


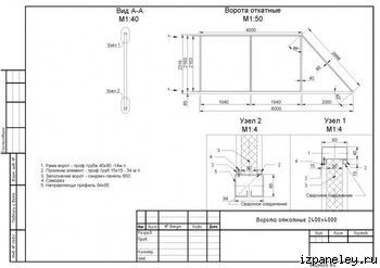
Ворота откатные из сэндвич панелей

Производим откатные ворота из сэндвич панелей.

Стандартные ширина и высота ворот - 2 х 4 метра. По вашему техническому заднию можем изготовить откатные ворота из сэндвич панелей с другими размерами.

Маскимальные размеры откатных ворот из сэндвич-панелей - 3х6 метров.

Стандартная толщина сэндвич панеле для откатных ворот - 50 мм.

Устанавливаем консольные ворота из сэндвич панелей в пределах Москвы и Московской области.

Откатные ворота из сэндвич панелейОткатные ворота из сэндвич панелей Ворота откатные из сэндвич панелейВорота откатные из сэндвич панелей Чертёж схема консольных откатных ворот из сэндвич панелейЧертёж схема консольных откатных ворот из сэндвич панелей Чертёж схема откатных ворот из сэндвич панелейЧертёж схема откатных ворот из сэндвич панелей

из сэндвич панелей

Проектируем, изготавливаем и строим гаражи для любого типа транспорта: гараж из сэндвич панелей для грузовых автомобилей и строительной техники, гараж для мотоцикла, гараж для квадроцикла, гараж для снегохода. Гараж для лодки, гараж для катера, гараж для гидроцикла, гараж для вертолёта, гараж для самолёта из трёхслойных клееных сэндвич-панелей.